單電源IGBT驅動電路設計
隨著電力電子技術的飛速發展,IGBT的應用日益廣泛,而IGBT應用的關健問題是其驅動電路和保護電路的合理設計。驅動電路設計不好,常會造成IGBT工作在放大區,短時承受很大的功耗導致擊穿失效,或者使lGBT關斷不迅速,與其他IGBT換流時產生換流失敗,導致直流側電源短路而嚴重損壞。
目前,最為常用的幾種IGBT驅動模塊電路在實際應用中都有其局限性:日本富士公司的EXB系列僅需單電源供電,但負柵壓過低,在高壓電路中會降低IGBT工作的可靠性,并且沒有短路軟關斷的封閉保護功能;三菱的M579系列在工作過程中需雙電源(+15 V,-10 V)供電,而且它和EXB系列內部均無隔離電源,若要驅動多組IGBT,需外接隔離電源;美國IR公司的IR2110雖具有自舉浮動電源,只用一路電源即可驅動多個功率器件,但是它本身不能產生負偏壓,容易造成橋臂短路,不適用于直接驅動中、大功率IGBT。
本文提出一種新型的驅動電路,它采用單電源供電,能夠產生負柵壓,使用脈沖變壓器隔離,無需提供單獨的浮地電源便可產生兩路脈寬可調的驅動脈沖,并且還具備各種保護功能。
1. 工作原理
本研究提出的IGBT驅動電路原理圖,如圖1所示。該電路采用一組15 V的穩壓電源,脈沖變壓器初級繞組并接2只反向串聯的穩壓二極管,其穩壓值與正負指壓相同,防止電路中出現高壓尖峰。3個N溝道MOS管VQ5、VQ6、VQ7的驅動脈障Us、Ux、Uy的波形,如圖2所示。脈沖變壓器的2個次級繞組T2、T4分別驅動2組IGBT模塊。柵極申聯電阻Rg的選擇必須合適,過高則增加關斷損耗,過低則使關斷過電壓加劇。合適的Cge有利于抑制dic/dt:Cge太大,開通時間延時;Cge太小,對抑制dic/dt效果不明顯。井聯柵射間電阻Rge可使柵射電壓免受IGBT和電路寄生參數的干擾,防止器件誤導通。另外,IGBT的輸入阻抗呈容性,因此對柵極電荷集聚很敏感,要有一條低阻抗值的放電回路,即驅動電路與IGBT的連線要盡量短。
通常情況下,由于變壓器不能傳遞直流分量,使用脈沖變壓器隔離的驅動電路不能實現任意脈寬輸出,從而導致其應用的局限性;而光電耦合驅動器雙側都是有源的,其提供的正向脈沖及負向封鎖脈沖的寬度可以不受限制。本電路輸出的驅動脈沖正、負柵壓數值相等(15V),且帶有死區,其中死區時間及脈沖寬度均可調。

圖1 IGBT驅動電路原理圖

圖2 MOSFET驅動波形
驅動電路的工作過程分為開通、死區和關斷3個階段:
(1)開關模態[t0,t1]。Ux為高電平,Uy為低電平,當Ux電壓幅偵升高到大于VQ6管子的閾值電壓UGS(th)時,VQ6被觸發導通,Uw電平為零。變壓器初級繞組T1的電壓極性為上高下低12 V,繞組T2兩端將產生相同極性的感應電勢Uge。
(2)開關模態[t1,t2]。Ux、Uy同為低電平,進入死區時同,T6隨之關斷。此時,Us與Vcc的電壓差額升高到大于T5管子的閾值電壓UGS(th)時,VQ5被觸發導通,變壓器初級繞組L1的電流經過D2、T5續流。二極管D2、D3避免了短路。Uw電壓等于Vcc。變壓器初級繞組T1上下端的電壓差額為零,繞組T2兩端的感應電勢Uge同為零。
(3)開關模態[t2,t3]。Ux為低電平,Uy為高電平,此時T6關斷、T7導通。繞組T3上電壓極性為上低下高15 V,與繞組T1發生感應后產生相同極性的感應電勢,Uw電壓將在Vcc的基礎上再疊加Vcc變成30 V。繞組T1的電壓極性為上低下高15 V,繞組T2兩端將產生感應電勢Uge=-15 V。
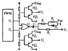
圖3 MOSFET驅動脈沖產生電路原理圖
3個MOSFET驅動脈沖產生電路原理圖,如圖3所示。該電路首先由PWM芯片產生兩路相差180°、帶有死區的驅動脈沖Ua、Ub然后分別經過推挽電路將驅動信號的功率放大后產生Ux、Uy。同時,Ua、Ub經過或非門后提取出死區時的電壓Uc。Uc與Vcc共同對C1進行充放電。[t0、t1]時,Vcc通過D1、R1對C1充電,R1非常小,充電過程十分迅速,Ux等于Vcc;[t1、t2]時,Ug變為高電平,通過R1、R2放電,由于R2遠大于R1,放電非常緩慢,Ux在Vcc的基礎上再疊加一個高電平,使Ug有足夠的驅動能力驅動VQ5。
基于PWM芯片可以實現限流保護、軟啟動控制、死區控制及保護控制等功能。常用的PWM芯片(如SG3525、TLA94等)片內都有誤差放大器,利用片內提供的基準源,由電阻分壓給誤差放大器的低端以提供比較基準,誤差放大器的高端接入電流反饋,形成準PI調節,具有很高的穩壓、穩流精度。
2. 實驗結果
試驗樣機相關情況如下:將市電整流成15V的直流電壓,經由7815穩壓后為驅動電路提供電源。工作頻率為23.8 kHz,即工作周期為42μs。VQ5、VQ6、VQ7為N溝道MOS管IRF630。
驅動電路實測波形,如圖4所示。PWM芯片SG3525輸出的兩路脈沖Ua、Ub如圖4(a)所示;經推挽電路后的兩路驅動脈沖Ux、Uy,如圖4(b)所示,這兩組波形的相位都互差180°。死區脈沖Uc和VQ5的門極驅動脈沖Ux,如圖4(c)所示,死區時間為2.6μs。VQ6的漏極電壓Uw和變壓器副邊T2的驅動電壓Uge,如圖4(d)所示。另一種脈寬的驅動電壓Uge,如圖4(e)所示,波形表明,脈沖變壓器能為IGBT提供良好的、可變的正向柵壓(+15 V)和反向柵壓(-15 V)。


(e)調整脈寬后的移動電壓
圖4 驅動電路實測波形
3. 結束語
本本提出了一種單電源的IGBT新型驅動電路,其主要特點是,采用脈沖變壓器進行電氣隔離,僅使用一組7815作為穩壓電源,可提供良好的正、反向柵壓,無需提供單獨的浮地電源便可產生兩路驅動脈沖。基于PWM芯片可以實現死區時同、工作頻率及脈寬可調,井帶有軟啟動、限流及穩壓等保護功能,且電路簡單實用。實驗結果證明了這種方案的合理性和有效性。
以上內容由深圳市逸盛通科技有限公司為您帶來,深圳市逸盛通科技有限公司是一家集代理、分銷、直銷及為一體的電力電子半導體銷售和電力電子行業解決方案的產業鏈供應商。公司與各種半導體公司旗下的各大代理商長期保持良好的合作分銷關系。找深圳英飛凌igbt廠家,深圳英飛凌igbt銷售;就找逸盛通!歡迎來電咨詢:13316584388