產品中心
最新資訊
聯系我們
產品名稱: 英飛凌IGBT模塊 FF200R12KE3 200A 1200V
產品類型: 英飛凌IGBT
產品型號: FF200R12KE3
發布時間: 2018-09-28
- 產品描述
詳細參數說明
制造商: 英飛凌
產品種類: IGBT 模塊
集電極發射極最大電壓 VCEO: 1200 V
集電極射極飽和電壓: 1.7 V
在25 C的連續集電極電流: 200 A
柵極射極漏泄電流: 400 nA
功率耗散: 1.05 kW
最小工作溫度: - 40 C
最大工作溫度: + 125 C
高度: 30.9 mm
長度: 106.4 mm
寬度: 61.4 mm
柵極發射極最大電壓: +/- 20 V
包裝數量: 10只
光纖與SCALE-2驅動核的接口電路
光纖與SCALE-2驅動核接口可以使用以下的電路 驅動核接口可以使用以下的電路,但實際上光纖收發器的 但實際上光纖收發器的
電源為+5V,處理手法可以用穩壓芯片,也可以用穩壓管;反饋光纖可以通過將SO1,SO2短接后匯成一個信號。
光纖接口與驅動器直接并聯的應用的配合
光電轉換后將信號接入施密特觸發器進行反相,然后再連進兩個并聯的驅動核,且連線要盡量短,這樣才能保證驅動器直接并聯的同步性。
在三電平變換器的工作過程中,正確的半導體換流行為可確保在外管IGBT/MOSFET處于導通狀態時內管IGBT/MOSFET不會關斷,以免整個直流母線電壓施加在相應的功率半導體上。
使用CONCEPT的 SCALE-2門極驅動器時必須考慮這種情況。如果驅動器檢測到短路或電源欠壓,則可能會發生此類事件。
檢測到故障后,驅動器會立即關閉相應的通道。
功率半導體通常不能承受整個母線電壓。
只有采取充分的防護措施,才能防止功率半導體損壞。
SCALE-2的高級有源箝位功能可防止IGBT/MOSFET在這種情況下出現集電極過壓。
因此,在這樣的故障條件下就無需為待關斷的驅動器通道提供特定的關斷順序 - 這種情況下可在故障反饋后的3μs內的任何時刻直接施加關斷指令。
建議在故障反饋后向變換器內的所有IGBT驅動器施加同時的關斷指令,以達到穩定的系統狀態。
單個SCALE-2驅動器在并聯IGBT/MOSFET中的應用
使用單個驅動核驅動并聯的IGBT應用中的高級有源箝位
有源箝位技術的功能是,在集電極-發射極(漏極-源極)電壓超過預定義的閾值時,立即將功率半導體部分地打開。
然后,使功率半導體保持在線性區內工作。
基本有源箝位電路是將IGBT的集電極電位通過瞬態電壓抑制二極管(TVS)反饋到IGBT門極的單反饋電路。
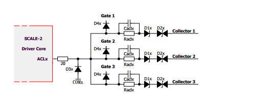
大部分SCALE-2產品都支持CONCEPT的高級有源箝位,這項功能是將集電極的反饋信號送進驅動器副邊的引腳ACLx:
只要下圖中20?電阻右側的電壓超過大約1.3V(參考COMx),驅動器推動級的關斷MOSFET就會逐步關斷,以提高有源箝位的效率,降低TVS中的損耗。
當20?電阻右側的電壓達到20V(參考COMx)時,關斷MOSFET會完全關斷。
在使用單個驅動核的并聯IGBT運行中,高級有源箝位需要控制所有并聯IGBT/MOSFET。
每個門極都需要按照下圖獲得獨立反饋。

- 其他產品

英飛凌igbt銷售
