分享幾種IGBT驅動電路的保護電路原理圖
第一種驅動電路EXB841/840
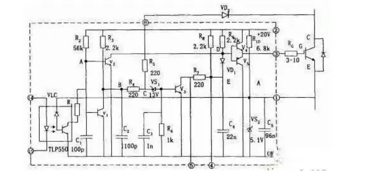
EXB841工作原理如圖1,當EXB841的14腳和15腳有10mA的電流流過1us以后IGBT正常開通,VCE下降至3V左右,6腳電壓被鉗制在8V左右,由 于VS1穩壓值是13V,所以不會被擊穿,V3不導通,E點的電位約為20V,二極管VD,截止,不影響V4和V5正常工作。
當14腳和15腳無電流流過,則V1和V2導通,V2的導通使V4截止、V5導通,IGBT柵極電荷通過V5迅速放電,引腳3電位下降至0V,是IGBT 柵一 射間承受5V左右的負偏壓,IGBT可靠關斷,同時VCE的迅速上升使引腳6“懸空”.C2的放電使得B點電位為0V,則V S1仍然不導通,后續電 路不動作,IGBT正常關斷。
如有過流發生,IGBT的V CE過大使得VD2截止,使得VS1擊穿,V3導通,C4通過R7放電,D點電位下降,從而使IGBT的柵一射間的電壓UGE降低 ,完成慢關斷,實現對IGBT的保護。由EXB841實現過流保護的過程可知,EXB841判定過電流的主要依據是6腳的電壓,6腳的電壓不僅與VCE 有關,還和二極管VD2的導通電壓Vd有關。

典型接線方法如圖2,使用時注意如下幾點:
a、 IGBT柵-射極驅動回路往返接線不能太長(一般應該小于1m),并且應該采用雙絞線接法,防止干擾。
b、 由于IGBT集電極產生較大的電壓尖脈沖,增加IGBT柵極串聯電阻RG有利于其安全工作。但是柵極電阻RG不能太大也不能太小,如果 RG增大,則開通關斷時間延長,使得開通能耗增加;相反,如果RG太小,則使得di/dt增加,容易產生誤導通。
c、 圖中電容C用來吸收由電源連接阻抗引起的供電電壓變化,并不是電源的供電濾波電容,一般取值為47 F.
d、 6腳過電流保護取樣信號連接端,通過快恢復二極管接IGBT集電極。
e、 14、15接驅動信號,一般14腳接脈沖形成部分的地,15腳接輸入信號的正端,15端的輸入電流一般應該小于20mA,故在15腳前加限流 電阻。
f、 為了保證可靠的關斷與導通,在柵射極加穩壓二極管。

第二種 M57959L/M57962L厚膜驅動電路
M57959L/M57962L厚膜驅動電路采用雙電源(+15V,-10V)供電,輸出負偏壓為-10V,輸入輸出電平與 TTL電平兼容,配有短路/過載保護和 封閉性短路保護功能,同時具有延時保護特性。其分別適合于驅動1200V/100A、600V/200A和1200V/400A、600V/600A及其 以下的 IGBT.M57959L/M57962L在驅動中小功率的IGBT時,驅動效果和各項性能表現優良,但當其工作在高頻下時,其脈沖前后沿變的較差,即信 號的最大傳輸寬度受到限制。且厚膜內部采用印刷電路板設計,散熱不是很好,容易因過熱造成內部器件的燒毀。
日本三菱公司的M57959L集成IGBT專用驅動芯片它可以作為600V/200A或者1200V/100A的IGBT驅動。其最高頻率也達40KHz,采用雙電源 供電(+15V和-15V)輸出電流峰值為±2A,M57959L有以下特點:
(1) 采用光耦實現電器隔離,光耦是快速型的,適合20KHz左右的高頻開關運行,光耦的原邊已串聯限流電阻,可將5V電壓直接加到輸入 側。
(2) 如果采用雙電源驅動技術,輸出負柵壓比較高,電源電壓的極限值為+18V/-15V,一般取+15V/-10V.
(3) 信號傳輸延遲時間短,低電平-高電平的傳輸延時以及高電平-低電平的傳輸延時時間都在1.5μs以下。
(4) 具有過流保護功能。M57962L通過檢測IGBT的飽和壓降來判斷IGBT是否過流,一旦過流,M57962L就會將對IGBT實施軟關斷,并輸出過 流故障信號。
(5) M57959的內部結構如圖所示,這一電路的驅動部分與EXB系列相仿,但是過流保護方面有所不同。過流檢測仍采用電壓采樣,電路特 點是采用柵壓緩降,實現IGBT軟關斷,
避免了關斷中過電壓和大電流沖擊;另外,在關斷過程中,輸入控制信號的狀態失去作用,既保護關 斷是在封閉狀態中完成的。當保護開始時,立即送出故障信號,目的是切斷控制信號,包括電路中其它有源器件。
第三種 2SD315A集成驅動模塊
集成驅動模塊采用+15V單電源供電,內部集成有過流保護電路,其最大的特點是具有安全性、智能性與易用性。2SD315A能輸出很大的峰 值電流(最大瞬時輸出電流可達±15A),具有很強的驅動能力和很高的隔離電壓能力(4000V)。2SD315A具有兩個驅動輸出通道,適合于驅 動等級為1200V/1700V極其以上的兩個單管或一個半橋式的雙單元大功率IGBT模塊。其中在作為半橋驅動器使用的時候,可以很方便地 設置死區時間。
2SD315A內部主要有三大功能模塊構成,分別是LDI(LogIC To Driver Interface,邏輯驅動轉換接口)、IGD(Intelligent Gate Driver,智能門極驅動)和輸入與輸出相互絕緣的DC/DC轉換器。當外部輸入PWM信號后,由LDI進行編碼處理,為保證信號不受外界條件的 干擾,處理過的信號在進入IGD前需用高頻隔離變壓器進行電氣隔離。從隔離變壓器另一側接收到的信號首先在IGD單元進行解碼,并把 解碼后的PWM信號進行放大(±15V/±15A)以驅動外接大功率IGBT.當智能門極驅動單元IGD內的過流和短路保護電路檢測到IGBT發生過 流和短路故障時,由封鎖時間邏輯電路和狀態確認電路產生相應的響應時間和封鎖時間,并把此時的狀態信號進行編碼送到邏輯控制單 元LDI.LDI單元對傳送來的IGBT工作狀態信號進行解碼處理,使之在控制回路中得以處理。為防止2SD315A的兩路輸出驅動信號相互干擾 ,由DC/DC轉換器提供彼此隔離的電源供電。
2SD315使用時注意事項:
a、工作模式
驅動模塊的模式選擇端MOD外接+15V電源,輸入引腳RC1和RC2接地,為直接工作模式。邏輯控制電平采用+15V,信號輸入管腳InA、InB連 接在一起接收來自單片機的 脈沖信號。2SD315A的SO1和SO2兩只管腳輸出通道的工作狀態。當MOD接地時,MOD接地。通常半橋模式都是驅動一個直流母線上的一個橋臂,為 避免上下橋臂直通必須設置死區時間,在死區時間里兩個 管子同時關斷。因此,RC 1, RC2端子必須根據要求外接RC網絡來產生死區時間,死區時間一般可以從100n,到幾個ms.圖中所示的RC 1, RC2分別連接lOk.的電阻和100pF的電容,這樣產生的死區時間大約是500ns.
b、端口VL/Reset
這個端子是用來定義具有施密特性質的輸入InA和InB的,使得輸入在2/3VL時開通,在I/3 VL時作為關斷信號。當PWM信號是TTL電平時, 該端子連接如圖3-5所示,當輸入InA和InB信號為15V的時候,該端子應該通過一個大約1K左右的電阻連接到++15V電源上,這樣開啟和關 斷電壓分別應該是lov和5V.另外,輸入UL/Reset端還有另外的功能:如果其接地,則邏輯驅動接口單元l.DI001內的錯誤信息被清除。
c、門極輸出端
門極輸出Gx端子接電力半導體的門極,當SCALE驅動器用15V供電的時候,門極輸出土15V.負的門極電壓由驅動器內部產生。使用如圖3-6 結構的電路可以實現開通和關斷的速度的不一樣,增加了用戶使用的靈活性。
d、布局和布線
驅動器應該盡可能近的和功率半導體放在一起,這樣從驅動器到電力晶體管的引線就會盡可能的短,一般來說驅動器的連線盡量不要長 過10厘米。同時一般要求到集電極和發射極的引線采用絞合線,還有可以在IGBT的門極和發射極之間連接一對齊納穩壓二極管(15~18V) 來保護IGBT不會被擊穿。
驅動模塊的模式選擇端MOD外接+15V電源,輸入引腳RC1和RC2接地,為直接工作模式。邏輯控制電平采用+15V,信號輸入管腳 InA、InB連 接在一起接收來自單片機的脈沖信號,進行同步控制。2SD315A的SO1和SO2兩只管腳外接三極管和光耦用來向單片機輸出兩輸出通道的 工作狀態,其輸出端結構皆為集電極開路輸出,可以通過外接上拉電阻以適用于各種電平邏輯。在管腳SO1、SO2和電源之間,以及VisoX 和LSX之間加發光二極管進行故障指示。正常情況下SO1和SO2輸出皆為高電平,上電后D3和D4先亮,延時幾秒后熄滅,同時D8和D15發亮。
當檢測到故障信號時,SO1和SO2的輸出電平被拉低到地,即D3和D4發亮,同時D8和D15閃爍。2SD315A是通過監測 UCE(sat)來判斷回路是否 短路和過流,當檢測到一路或兩路發生過流現象時,檢測電路會把異常狀態回饋到驅動模塊,驅動模塊內部會產生一個故障信號并將它 鎖存,鎖存時間為1s,在這段時間內,驅動模塊不再輸出信號,而是將兩組IGBT及時關斷予以保護。同時,狀態輸出管腳SO1和SO2的高電平 被拉低,光耦TLP521導通,兩路狀態信號通過或門74LS32送給單片機。為防止因關斷速度太快在IGBT的集電極上產生很高的反電動勢,在 門極輸出端采用如圖3.11所示的電路結構實現開通和關斷速度的不同。開通時門極電阻為3.4Ω,關斷時電阻為6.8Ω,二極管采用快恢 復型,這樣就使關斷速度下降到安全水平。這是一張縮略圖,點擊可放大。按住CTRL,滾動鼠標滾輪可自由縮放。