你對IGBT了解多少?本文在分析了IGBT驅動條件后,講解了一些常見的IGBT驅動電路并指出各自優缺點。歸于經驗總結筆者自行設計了一種簡單、實用的新型IGBT驅動電路,供大家借鑒學習。經過驗證,該電路具有經濟、實用、安全、可靠等優點,同時,IGBT過電流保護的功能也能很好的體現,是有著光明應用前景的電路之一。
1 引言
絕緣門極雙極型晶體管(Isolated Gate Bipolar Transistor)簡稱IGBT。也稱絕緣門極晶體管。由于IGBT內具有寄生晶閘管,所以也可稱作為絕緣門極晶閘管,它是八十年代中期發展起來的一種新型復合器件。由于它將MOSFET和GTR的優點集于一身,既具有輸入阻抗高、速度快、熱穩定性好和驅動電路簡單的優點,又有通態電壓低耐壓高的優點,因此發展很快,倍受歡迎,在電機驅動、中頻和開關電源以及要求快速、低損耗的領域,IGBT有取代MOSFET和GTR的趨勢。但在IGBT實際應用中一個要重點考慮的問題是其柵極驅動電路設計的合理與否,在此我們自行設計了一種簡單而實用的驅動電路,并取得了很好的效果。
2 IGBT的驅動條件
IGBT的驅動條件與它的靜態和動態特性密切相關。柵極的正偏壓+VGE、負偏壓-VGE 和柵極電阻RG 的大小,對IGBT的通態電壓、開關時間、開關損耗、承受短路能力以及dVCE/dt等參數都有不同程度的影響。門極驅動條件與器件特性的關系如表1所示。

表1 門極驅動條件與器件特性的關系
1、正偏壓+VGE的影響
當VGS增加時,通態電壓下降,IGBT的開通能量損耗下降,但是VGE 不能隨意增加,因為VGE 增加到一定程度之后對IGBT的負載短路能力及dVCE/dt電流有不利影響。
2、負偏壓-VGE的影響
負偏壓也是很重要的門極驅動條件,它直接影響IGBT的可靠運行。雖然-VGE對關斷能耗沒有顯著影響,擔負偏壓的增高會使漏極浪涌電流明顯下降,從而避免過大的漏極浪涌電流使IGBT發生不可控的擎住現象。
3、門極電阻RG的影響
門極電阻增加,使IGBT的開通與關斷能耗均增加,門極電阻減小又使di/dt增大,可能引發IGBT誤導通,同時RG上的能耗也有所增加。所以通常RG一般取十幾歐到幾百歐之間。
因此,為了使IGBT能夠安全可靠得到通和關斷,其驅動電路必須滿足一下條件:
由于是容性輸入阻抗,IGBT對門極電荷集聚很敏感,因此要保證有一條低阻抗值得放電回路。
門極電路中的正偏壓應為+12—15V,負偏壓-2—-10V。
驅動電路應與整個控制電路在電位上嚴格隔離。
門極驅動電路應盡可能簡單實用,具有對IGBT的自保護功能,并有較強的抗干擾能力。
3 常見的IGBT驅動電路
1、采用脈沖變壓器隔離驅動IGBT
電路如圖1所示,這種電路結構簡單,應用了廉價的脈沖變壓器實現IGBT主電路與控制電路的隔離。其性能的好壞取決于脈沖變壓器的制作,應盡量減小脈沖變壓器的漏感抗,并采用高鐵氧體鐵心,最高工作頻率可達40KHz。

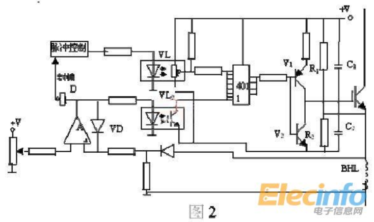
2、采用光耦合器及CMOS驅動IGBT
電路圖如圖2所示,該電路自身帶過流保護功能,光耦合器將脈沖控制電路與驅動電路隔離,4011的四個與非門并聯工作提高了驅動能力,互補晶體管V1、V2降低驅動電路阻抗,通過R1、C1與R2、C2獲得不同的正、反向驅動電壓,以滿足各種IGBT對柵極驅動電壓的要求。該電路由于受光耦合器傳輸速度的影響,其工作頻率不能太高,同時受4011型CMOS電路最高工作電壓的限制,使+VGE和-VGE的幅值相互牽制,并受到限制。

3、用專用混合集成驅動電路
目前,國外很多生產IGBT器件的公司,為了解決IGBT驅動的可靠性問題,紛紛推出IGBT專用驅動電路,如美國MOTOROLA公司的MPD系列、日本東芝公司的KT系列、日本富士公司的EXB系列等。這些驅動電路抗干擾能力強,集成化程度高,速度快,保護功能完善,可實現IGBT的最優驅動,但一般價格比較昂貴,對于普通用戶很難接受。
4 新型實用驅動電路
該電路具有以下特點:
該電路能夠產生+15V和-5V電壓,保證了IGBT的可靠導通與關斷。
該電路采用高速光耦實現了控制電路與主電路的隔離。
該電路具有IGBT過電流保護功能,能夠有效的保護IGBT。
該電路采用推挽式輸出方式,從而降低了驅動電路的輸出阻抗。
適用于多種型號IGBT的可靠驅動。
電路圖如圖3所示,采用由高速光耦H11L1、NPN和PNP型三極管組成推挽式輸出電路。變壓器副邊輸出交流18V電壓,經整流橋變成直流,470uF/50V的電容濾波,作為IGBT驅動電路的工作電壓。當IGBT的電流小于設定過電流信號的時候,比較器負輸入端電壓小于正輸入端設定的電壓值,此時比較器輸出高電平。當IGBT的電流大于設定過電流信號的時候,比較器負輸入端電壓大于正輸入端設定的電壓值,此時比較器輸出低電平。當比較器輸出信號與控制信號相與后送到高速光耦合器。正常情況下比較器輸出高電平,當控制信號位高電平時,與門輸出高電平使光耦合器導通,晶體管N1基極沒有電流而關斷,此時電流可經R3、N2的基射極、R6、Z3、Z4、Z2形成三極管N2的基極電流,N2開通,由于Z2是15V穩壓管,輸出電壓嵌位在+15V,驅動IGBT導通;反之,黨控制脈沖信號為低電平時,與門輸出低電平使光耦合器截止,三極管N1存在極基電流而導通,N1的集電極電壓變低,N2截止,電流經R4、Z4、R6、P1、N1形成P1 管的極基電流,P1導通,輸出電壓鉗位在-5V,使IGBT關斷。當IGBT處于過電流狀態時,比較器輸出低電平,此時無論控制信號位高電平還是低電平,與門始終輸出低電平,由以上可知此時驅動電路一直輸出-5V 電壓而使IGBT一直處于關斷狀態,從而對IGBT的過電流進行了有效的保護。
5 總結
這款新型的IGBT驅動電路既簡單又實用,經長期實踐證明,使用時不用再有后顧之憂,對于諸多優勢在文中也有詳細介紹。再有,該電路適用于各種型號的IGBT,為普通IGBT用戶節省大量資金,更是電源工程師的不二之選。(英飛凌igbt廠家)