產品中心
最新資訊
聯系我們
產品名稱: 英飛凌IGBT模塊 SKM400GB125D 400A 1200V
產品類型: 英飛凌IGBT
產品型號: SKM400GB125D
發布時間: 2018-09-30
- 產品描述
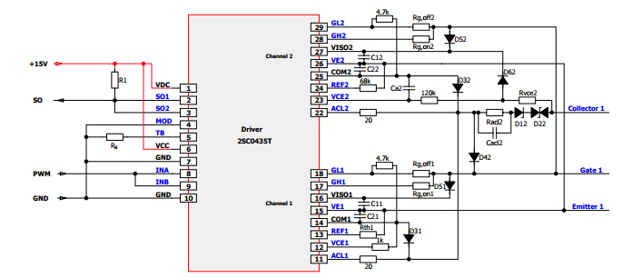
將雙通道驅動器并聯成單輸出
雙通道驅動核可以配置為兩倍輸出功率和峰值電流的單驅動核。
建議按照下面的方式和下圖中的電路,以將兩個驅動器通道合并到一個邏輯通道(不包括2SC0108T):
.必須選擇直接模式(MOD引腳拉到GND)。
.兩個輸入信號INA和INB必須連接在一起。
.兩個副邊發射極電位VE1和VE2必須連接在一起。
.建議對一個通道屏蔽退飽和保護,而對另一個通道啟用。
.參考值Vth2通過Rth2=68k?設置為10V。
.兩個通道都需要門極電阻來使驅動器輸出級解耦。驅動器通道在驅動電阻的IGBT門極側連接在一起。兩個通道對應的開通電阻和關斷電阻必須分別相同,且阻值的誤差需要≤5%(建議為1%)。
.有源箝位在驅動器關斷IGBT時控制推動級的關斷MOSFET,因此,兩個通道的高級有源箝位引腳ACLx都必須按照下圖那樣連接到20?電阻。
.兩個故障信號SO1和SO2可連接到單故障信號SO。
.只要在SO上檢測到故障,PWM輸入信號就必須立即拉到GND以關斷任何可能尚未關斷的驅動器通道。
忽略這一點可能會造成驅動器熱損壞,因為一個驅動器在發生故障時關斷,而另一個仍然導通,導致驅動器上的功耗過高。
在SO故障信號再次升高之前(即沒有故障信號),不應激活PWM輸入。這對于避免只有一個通道發生開關動作極為重要,因為兩個驅動通道的阻斷時間未必精確地保持一致。

家里的電燈開關是用按鈕控制的。IGBT不用機械按鈕,它是由計算機控制的。
具體點說,IGBT的簡化模型有3個接口,有兩個(集電極、發射極)接在強電電路上,還有一個接收控制電信號,叫作門極。
給門極一個高電平信號,開關(集電極與發射極之間)就通了;再給低電平信號,開關就斷了。
給門極的信號是數字信號(即只有高和低兩種狀態),電壓很低,屬于弱電,只要經過一個比較簡單的驅動電路就可以和計算機相連。
實際用的“計算機”通常是叫作DSP的微處理器,擅長處理數字信號,比較小巧。
- 其他產品

英飛凌igbt銷售
