產品中心
最新資訊
聯系我們
產品名稱: 英飛凌IGBT模塊 FF800R17KE3 800A 1700V
產品類型: 英飛凌IGBT
產品型號: FF800R17KE3
發布時間: 2018-09-21
- 產品描述
詳細參數
制造商: 英飛凌
產品種類: IGBT 模塊
集電極發射極最大電壓 VCEO: 1700 V
在25 C的連續集電極電流: 1150 A
最小工作溫度: - 40 C
最大工作溫度: + 125 C
封裝: Tray
高度: 38 mm
長度: 140 mm
寬度: 130 mm
柵極發射極最大電壓: +/- 20 V
包裝數量: 2只
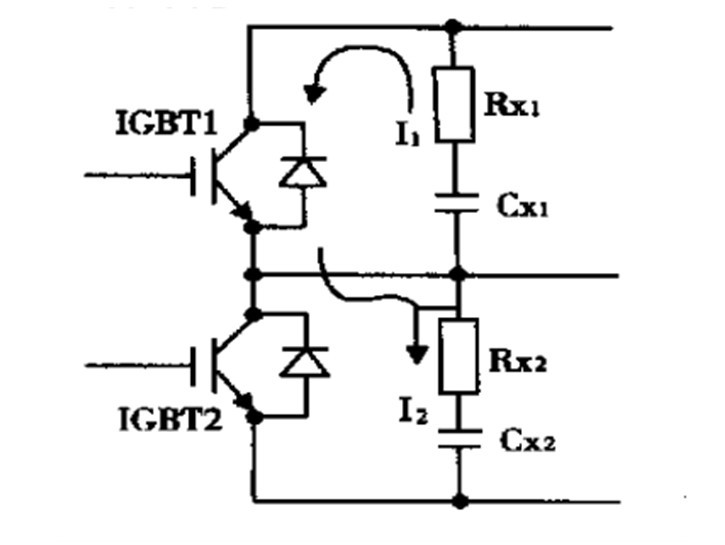
IGBT 失效的原因分析 在(1) 所用參數的試驗中 ,對 IGB T 的失效已作分析 ,即由 于上、下橋臂共導造成對 IGB T 的重復過流使 IGB T 失效。 (2) 所用參數的失效原理同(1) 。現只對(3) 所用參數的失效原 因進行分析。如圖 2 ,以 IGBT1 開通為例分析 , IGBT1 在開通 過程中 ,由于其 GE 間電壓下降 ,引起 CX1通過 RX1和 IGB T 的 放電電流 I1 及通過 IGB T1 和 RX2對 CX2的允電電流 I2 。因為 (3) 新選參數中 ,RX1 、RX2較小 ,CX1 、CX2較大 ,所以 ,CX1 、CX2上 貯存的電能較大 ,且允放電阻尼較小 ,引起 IGB T 在開通過程 中較大的電流尖峰 I1 + I2 ,對 IGB T 而言 ,由于開關電源負載呈 感性 ,所以此時負載電流的影響還較小。由于開通時電流尖峰 較大 ,造成較大的開通應力 ,久之使 IGBT 失效。

由于(4) 所選 RX 值較大 ,CX 值較小 ,故 CX 上貯存電能較 少 ,IGB T 開通過程中的電流尖峰較小 ,維持時間也較短 ,減少 了開通應力 ,使 IGB T 可安全運行。
結論 IGB T 在應用時 ,其驅動電壓上升不能太慢 ,但也不宜太 快 ,驅動電壓上升速率太高 ,需要較重的吸收電路才能使 IG2 B T 正常工作 ,但同時也增大了開關應力 ,使器件壽命縮短。所 以選擇適宜的驅動電壓上升速率、較輕的吸收電路參數 ,能使 器件長期可靠工作。如能采用零電壓零電流開關技術 ,效果會更佳。
- 其他產品

英飛凌igbt銷售
