產品中心
最新資訊
聯系我們
產品名稱: 英飛凌IGBT模塊 FZ800R16KF4 800A 1600V
產品類型: 英飛凌IGBT
產品型號: FZ800R16KF4
發布時間: 2018-09-26
- 產品描述
基本參數
制造商: 英飛凌
產品種類: IGBT 模塊
集電極發射極最大電壓 VCEO: 1600 V
集電極射極飽和電壓: 3.3 V
在25 C的連續集電極電流: 800 A
柵極射極漏泄電流: 400 nA
功率耗散: 6.25 kW
最小工作溫度: - 40 C
最大工作溫度: + 125 C
高度: 38 mm
長度: 140 mm
寬度: 130 mm
柵極發射極最大電壓: +/- 20 V
包裝數量: 2只
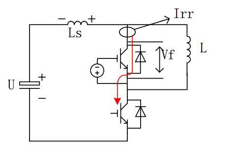
二極管的方法的示意圖:
1. 將電流探頭加在上管IGBT的集電極
2. 將電壓探頭加在上管IGBT的CE極間
3. 將電壓及電流的瞬時值的積做為一個函數通道,表示二極管的瞬時功率
4. 用示波器捕捉上管二極管的反向恢復時刻

當前光伏發電已成為太陽能資源開發利用的重要形式,其中大型光伏電站的接入,大規模光伏接入將對電網電壓水平、短路電流水平、電能質量、穩定性及調度運行等帶來很大影響,特別是在電網故障時大功率光伏系統的突然脫網會進一步惡化電網運行狀態,帶來更加嚴重的后果[1]。
目前大功率光伏發電系統,主要接入中低壓光伏發電系統當中,為了應對大規模光伏發電系統的接入,確保大功率光伏系統接入后電力系統運行的可靠性、安全性與穩定性,除了加強相應的電網建設、增加電網的調控手段,還需要對大功率光伏發電系統接入電力系統的技術要求作出相應的規定,以期不斷提高光伏發電機組和光伏電站的運行特性,降低大規模光伏接入對電網帶來的不利影響。為此,世界各國相繼制定了新的電網法規來規范中低壓系統的并網[錯誤!未找到引用源。-8],其中低電壓穿越(Low VoltageRide-Through, LVRT)能力是目前光伏發電接入電網穩定問題中亟待解決的重要難點。大功率光伏發電系統的低電壓穿越控制與全功率風力發電并網系統的低電壓控制有一定的相似之處,但考慮到光伏發電系統本身的特性與風力發電系統有本質區別,十分有必要單獨對光伏電壓穿越進行系統的研究,
本文首先介紹了光伏電站并網準則對LVRT 的要求,接著分析了電網電壓驟降故障下(包括平衡跌落與不平衡跌落)光伏電站的瞬態特性及其LVRT 技術的要點;在此基礎之上提出了電網電壓故障時,逆變器系統的控制方案,并給出仿真和實驗結果。
2. 光伏電站低電壓穿越的特性
2.1 并網導則對光伏LVRT 的要求
德國在2008 年前后出臺了主要針對中,低壓并網設施的并網導則[2],規定了不同類型并網發電設備在電網故障時刻需要保持并網的邊界條件
1)在跌落程度為100%,跌落時間小于150ms 的電網故障過程中,發電單元必須保持并網。
2) 在藍線以下的電網故障范圍內,對于發電單元是否保持并網不做要求。在電網故障是處于邊緣線以內的電網電壓跌落類型,發電單元必須保持并網,并且不能引起電網的不穩定。
- 其他產品

英飛凌igbt銷售
